Заглушка межфланцевая разновидность запорной арматуры, которая используется для блокирования на время ремонта, путей прохождения рабочей среды в полости трубопровода. Установка производится между фланцами как уплотнитель. Цена покупки заглушки намного меньше стоимости задвижек.
Для качественного перекрытия потока необходимо использовать заглушки из материала аналогичного трубам.
Заглушка межфланцевая – одна из самых дешевых и при этом надежных разновидностей запорной арматуры. Использование подобных заглушек блокирует магистраль трубопровода либо отдельный участок. Установка изделий между фланцами в качестве уплотнительных прокладок дает возможность не опустошать просвет трубы полностью.
Заглушки – оборудование для разового применения. При их эксплуатации во время работ по ремонту или сервисному обслуживанию они ставятся лишь в двух положениях:
  • «открыто» – с просветом
  • «закрыто» – без просвета
Установка в промежуточное положение, когда просвет трубопровода закрывается частично – не предусмотрена.
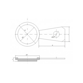
Межфланцевая заглушка - фото - 2

Межфланцевая заглушка

Заглушка межфланцевая разновидность запорной арматуры, которая используется для блокирования на время ремонта, путей прохождения рабочей среды в полости трубопровода. Установка производится между фланцами как уплотнитель. Цена покупки заглушки намного меньше стоимости задвижек.
Для качественного перекрытия потока необходимо использовать заглушки из материала аналогичного трубам.
Заглушка межфланцевая – одна из самых дешевых и при этом надежных разновидностей запорной арматуры. Использование подобных заглушек блокирует магистраль трубопровода либо отдельный участок. Установка изделий между фланцами в качестве уплотнительных прокладок дает возможность не опустошать просвет трубы полностью.
Заглушки – оборудование для разового применения. При их эксплуатации во время работ по ремонту или сервисному обслуживанию они ставятся лишь в двух положениях:
  • «открыто» – с просветом
  • «закрыто» – без просвета
Установка в промежуточное положение, когда просвет трубопровода закрывается частично – не предусмотрена.
  • Технические характеристики

Заглушки обеспечивают герметичное перекрытие трубопровода в тех места, где необходимо дополнительное уплотнение. Для этого они комплектуются специальными прокладками-уплотнителями, изготовленными из следующих материалов:

  1. резины;
  2. паронита (смесь асбеста с каучуком);
  3. фторопласта.

Предусмотрено производство отдельных моделей заглушек, которые выглядят как цельный комплекс основы с уплотнителем и подложкой из графита.

Виды межфланцевых заглушек

С целью обеспечения полной герметичности соединений заглушка межфланцевая ГОСТ выпускается предприятиями в нескольких видах:

  • поворотная, она же очковая или реверсивная (другие названия очки Шмидта, обтюратор);
  • с рукояткой.

Поворотная заглушка состоит из двух частей:

  • глухой, перекрывающей просвет трубы;
  • с прорезью, открывающей поток.

Элементы соединяются перемычкой с отверстием под ось крепежа. При повороте запорной конструкции шпилька или болт меняют положение, а уплотнители с двух сторон сердечника заглушки делают соединение герметичным. Уплотнитель подбирается индивидуально, в соответствии с показателями температуры, давления и характера рабочей среды.

Оборудованная рукояткой, обычно ее применяют в конце трубопровода, ставится на время ремонта между фланцами, вынимается по окончании. Одновременно устанавливается межфланцевое кольцо и подходящий к нему уплотнитель. При условии полного совпадения толщины кольца и заглушки допускается не стягивать фланцы.

Разрешается использовать сердечник несколько раз, но при этом уплотнительная прокладка заменяется после каждого использования. Выпущенные в последние годы заглушки оборудуются уплотнителем в виде картриджа.

Санкт-Петербургский завод крепежных изделий предлагает купить межфланцевые заглушки собственного производства, очковые и с рукояткой. Предоставляется гарантия на выпущенную продукцию, предоставляется сертификат соответствия.

Технические характеристики

Заглушки обеспечивают герметичное перекрытие трубопровода в тех места, где необходимо дополнительное уплотнение. Для этого они комплектуются специальными прокладками-уплотнителями, изготовленными из следующих материалов:

  1. резины;
  2. паронита (смесь асбеста с каучуком);
  3. фторопласта.

Предусмотрено производство отдельных моделей заглушек, которые выглядят как цельный комплекс основы с уплотнителем и подложкой из графита.

Виды межфланцевых заглушек

С целью обеспечения полной герметичности соединений заглушка межфланцевая ГОСТ выпускается предприятиями в нескольких видах:

  • поворотная, она же очковая или реверсивная (другие названия очки Шмидта, обтюратор);
  • с рукояткой.

Поворотная заглушка состоит из двух частей:

  • глухой, перекрывающей просвет трубы;
  • с прорезью, открывающей поток.

Элементы соединяются перемычкой с отверстием под ось крепежа. При повороте запорной конструкции шпилька или болт меняют положение, а уплотнители с двух сторон сердечника заглушки делают соединение герметичным. Уплотнитель подбирается индивидуально, в соответствии с показателями температуры, давления и характера рабочей среды.

Оборудованная рукояткой, обычно ее применяют в конце трубопровода, ставится на время ремонта между фланцами, вынимается по окончании. Одновременно устанавливается межфланцевое кольцо и подходящий к нему уплотнитель. При условии полного совпадения толщины кольца и заглушки допускается не стягивать фланцы.

Разрешается использовать сердечник несколько раз, но при этом уплотнительная прокладка заменяется после каждого использования. Выпущенные в последние годы заглушки оборудуются уплотнителем в виде картриджа.

Санкт-Петербургский завод крепежных изделий предлагает купить межфланцевые заглушки собственного производства, очковые и с рукояткой. Предоставляется гарантия на выпущенную продукцию, предоставляется сертификат соответствия.

Санкт-Петербургский Завод крепежных изделий © 2025г. Все права защищены
Адрес
СПб, г. Колпино, б-р Трудящихся, дом 2, лит. А., пом. 13-Н, офис 1
Яндекс.Метрика