Заглушка поворотная АТК 26 18 5 93 из двух элементов — фланцевой части (кольца) и глухой части (заглушки), соединенных двумя прутками, закрепленными при помощи сварки. В отличие от заглушек плоской перемычкой Т-ММ-25-01-06 заглушки с прутками проще монтируются.
Поворотные заглушки АТК 26 18 5 93
Заглушка поворотная АТК – один из элементов трубопроводов, назначение которого в перекрытии потока транспортируемой жидкости или газа. Обиходные названия изделия:
  • обтюратор
  • реверсивная заглушка
  • межфланцевая заглушка
 
Поворотная заглушка АТК 26 18 5 93 - фото - 2

Поворотная заглушка АТК 26 18 5 93

Заглушка поворотная АТК 26 18 5 93 из двух элементов — фланцевой части (кольца) и глухой части (заглушки), соединенных двумя прутками, закрепленными при помощи сварки. В отличие от заглушек плоской перемычкой Т-ММ-25-01-06 заглушки с прутками проще монтируются.
Поворотные заглушки АТК 26 18 5 93
Заглушка поворотная АТК – один из элементов трубопроводов, назначение которого в перекрытии потока транспортируемой жидкости или газа. Обиходные названия изделия:
  • обтюратор
  • реверсивная заглушка
  • межфланцевая заглушка
 
  • Назначение и варианты исполнения

Заглушка поворотная АТК — один из элементов трубопроводов, назначение которого в перекрытии потока транспортируемой жидкости или газа. Обиходные названия изделия:

  • обтюратор;
  • реверсивная заглушка;
  • межфланцевая заглушка.

Заглушка производится из углеродистой, нержавеющей или легированной стали в соответствии с условиями, где ей предстоит эксплуатироваться. Марка стали подбирается с учетом материала, из которого произведены фланцы. Примерный срок использования — 10 лет, при условии установки со специальными прокладками. Температура, при которой применяются заглушки от — 70 до +475 градусов Цельсия.

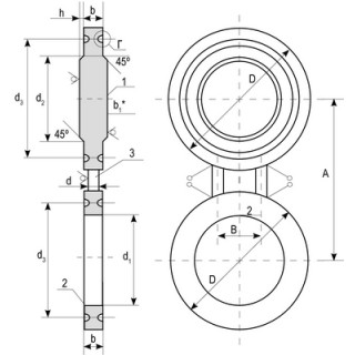
Заглушки поворотные (реверсивные) состоят из:

  • кольцевой фланцевой части;
  • заглушечной части (глухая);
  • соединительных прутков (2 штуки).

Прутки, соединенные с другими частями, надежно скрепляют конструкцию и упрощают процесс монтажа.

Санкт-Петербургский Завод крепежных изделий (СПбЗКИ) выпускает следующие типы реверсивных заглушек:

  • с соединительным выступом (выдерживают давление16/25/40/ кгс/см2);
  • с системой впадина-выступ (выдерживают давление16/40/63/100 кгс/см2);
  • для овальных прокладок (выдерживают давление 63/ 100/160 кгс/см2).

Показатели элементов соединения соответствуют требованиям ГОСТ 12815-80. Первые два типа изделий рассчитаны на фланцы с уплотнительной поверхностью № 1 (выступ) и № 2-№ 3 (впадина-выступ). Третий — для фланцев с уплотнительной поверхностью № 7.

Материал фланцев должен быть идентичным заглушкам и иметь качества, подходящие для функционирования в определенной среде (коррозионная устойчивость, твердость и пр.).

Для чего нужны заглушки

Заглушки устанавливаются для того, чтобы перекрывать и снова открывать трубопровод на период:

  • ремонта;
  • профилактических мероприятий;
  • продувки;
  • гидроиспытаний;
  • консервации определенных веток.

Использование этих изделий при редких остановках трубопровода экономически выгодней, чем установка запорной арматуры, стоимость которой в несколько раз выше.

Однако, если перекрывать поток приходится часто, рациональней использовать задвижку или шаровый кран, поскольку установка заглушки — долгий процесс.

Как происходит установка заглушек

Детали устанавливаются между фланцами. За счет соответствия уплотнительных поверхностей фланцев с соединительными пазами или выступами заглушки соединение получается герметичным.

Заглушка перемещается вокруг оси в роли которой выступает болт, которым стянуто фланцевое соединение. Либо эту функцию выполняют отжимные болты, которыми стягивают фланцы.

Устройство работает лишь в двух положениях — открытом и закрытом. Частичное открывание — технически неосуществимо, для этих целей нужен шаровый кран.

Санкт-Петербургский Завод крепежных изделий (СПбЗКИ) предлагает купить заглушки поворотные АТК 26 18 5 93 собственного производства. Продукция рассчитана на десятилетнюю эксплуатацию при условии подбора соответствующих фланцев.

Собственная служба доставки привезет заказ в пределах города и области. Возможна доставка до терминала транспортной компании. Сотрудничаем со службами:

  • ТК «Деловые Линии»;
  • ТК «ПЭК».

Для подбора необходимого крепежа оставьте заявку на сайте или звоните нашим менеджерам.

Назначение и варианты исполнения

Заглушка поворотная АТК — один из элементов трубопроводов, назначение которого в перекрытии потока транспортируемой жидкости или газа. Обиходные названия изделия:

  • обтюратор;
  • реверсивная заглушка;
  • межфланцевая заглушка.

Заглушка производится из углеродистой, нержавеющей или легированной стали в соответствии с условиями, где ей предстоит эксплуатироваться. Марка стали подбирается с учетом материала, из которого произведены фланцы. Примерный срок использования — 10 лет, при условии установки со специальными прокладками. Температура, при которой применяются заглушки от — 70 до +475 градусов Цельсия.

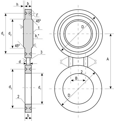
Заглушки поворотные (реверсивные) состоят из:

  • кольцевой фланцевой части;
  • заглушечной части (глухая);
  • соединительных прутков (2 штуки).

Прутки, соединенные с другими частями, надежно скрепляют конструкцию и упрощают процесс монтажа.

Санкт-Петербургский Завод крепежных изделий (СПбЗКИ) выпускает следующие типы реверсивных заглушек:

  • с соединительным выступом (выдерживают давление16/25/40/ кгс/см2);
  • с системой впадина-выступ (выдерживают давление16/40/63/100 кгс/см2);
  • для овальных прокладок (выдерживают давление 63/ 100/160 кгс/см2).

Показатели элементов соединения соответствуют требованиям ГОСТ 12815-80. Первые два типа изделий рассчитаны на фланцы с уплотнительной поверхностью № 1 (выступ) и № 2-№ 3 (впадина-выступ). Третий — для фланцев с уплотнительной поверхностью № 7.

Материал фланцев должен быть идентичным заглушкам и иметь качества, подходящие для функционирования в определенной среде (коррозионная устойчивость, твердость и пр.).

Для чего нужны заглушки

Заглушки устанавливаются для того, чтобы перекрывать и снова открывать трубопровод на период:

  • ремонта;
  • профилактических мероприятий;
  • продувки;
  • гидроиспытаний;
  • консервации определенных веток.

Использование этих изделий при редких остановках трубопровода экономически выгодней, чем установка запорной арматуры, стоимость которой в несколько раз выше.

Однако, если перекрывать поток приходится часто, рациональней использовать задвижку или шаровый кран, поскольку установка заглушки — долгий процесс.

Как происходит установка заглушек

Детали устанавливаются между фланцами. За счет соответствия уплотнительных поверхностей фланцев с соединительными пазами или выступами заглушки соединение получается герметичным.

Заглушка перемещается вокруг оси в роли которой выступает болт, которым стянуто фланцевое соединение. Либо эту функцию выполняют отжимные болты, которыми стягивают фланцы.

Устройство работает лишь в двух положениях — открытом и закрытом. Частичное открывание — технически неосуществимо, для этих целей нужен шаровый кран.

Санкт-Петербургский Завод крепежных изделий (СПбЗКИ) предлагает купить заглушки поворотные АТК 26 18 5 93 собственного производства. Продукция рассчитана на десятилетнюю эксплуатацию при условии подбора соответствующих фланцев.

Собственная служба доставки привезет заказ в пределах города и области. Возможна доставка до терминала транспортной компании. Сотрудничаем со службами:

  • ТК «Деловые Линии»;
  • ТК «ПЭК».

Для подбора необходимого крепежа оставьте заявку на сайте или звоните нашим менеджерам.

Санкт-Петербургский Завод крепежных изделий © 2025г. Все права защищены
Адрес
СПб, г. Колпино, б-р Трудящихся, дом 2, лит. А., пом. 13-Н, офис 1
Яндекс.Метрика