- Главная
- Каталог
- Крепеж
- Винты, саморезы, заклёпки
- Винты установочные
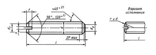
- Винт установочный с цилиндрическим концом и прямым шлицем, класс точности А,В ГОСТ 1478-93
Винт установочный с цилиндрическим концом и прямым шлицем, класс точности А,В ГОСТ 1478-93
Винт установочный с цилиндрическим концом и прямым шлицем, класс точности А и В ГОСТ 1478-93.
Класс точности: A, B.
Поле допуска резьбы: 6g.
Класс прочности: 14Н, 45Н.
Аналог ГОСТ: ГОСТ 1477-93.
Класс точности: A, B.
Поле допуска резьбы: 6g.
Класс прочности: 14Н, 45Н.
Аналог ГОСТ: ГОСТ 1477-93.



