- Главная
- Каталог
- Крепеж
- Винты, саморезы, заклёпки
- Винты с цилиндрической головкой
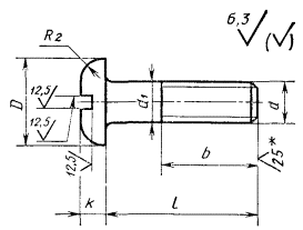
- Винт с цилиндрической скругленной головкой, класс точности А,В ГОСТ 11644-75
Винт с цилиндрической скругленной головкой, класс точности А,В ГОСТ 11644-75
Стандарт ГОСТ 11644-75 распространяется крепежные изделия - винты с цилиндрической скругленной головкой, которые имеют классы точности А и В и нанесенную метрическую резьбу с диаметром от 1 до 20 мм.




