- Главная
- Каталог
- Крепеж
- Гайки
- Гайки шестигранные
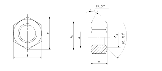
- Гайка шестигранная, класс точности A ГОСТ 5927-70
Гайка шестигранная, класс точности A ГОСТ 5927-70
Гайка шестигранная, класс точности A ГОСТ 5927-70 представляет собой вид металлоизделий, который широко используется в качестве крепежного материала в самых различных отраслях хозяйственной деятельности: промышленном производстве, строительстве, самолето- и кораблестроении, машиностроении, приборостроении и радиоэлектронике.
Данный вид крепежа применяется для обеспечения соединения различных металлических и деревянных узлов и деталей.
Данный вид крепежа применяется для обеспечения соединения различных металлических и деревянных узлов и деталей.




