- Главная
- Каталог
- Крепеж
- Болты
- Болты с шестигранной головкой
- Болт с шестигранной уменьшенной головкой, нормальной и повышенной точности ГОСТ 18125-72
Болт с шестигранной уменьшенной головкой, нормальной и повышенной точности ГОСТ 18125-72
-
Технические характеристики
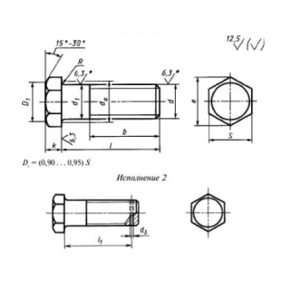
Болт ГОСТ 18125-72: характеристики
Крепежный элемент представлен уменьшенной шестигранной головкой. Высота колеблется в пределах 28-90 мм, а ширина под ключ — 70-210 мм. На болт добавлена метрическая резьба. В зависимости от типа шаг резьбы выполняется от 3 до 6 мм. Для определения радиуса под головкой учитывают точность и в зависимости от этого он может составлять от 1 до 2,5 мм. Метиз предполагает наличие отверстий в теле, с диаметром 8-16 мм. Все параметры выбирают с учетом номинального диаметра резьбы. Для болта ГОСТ 18125-72 предназначены М52-М160.
В качестве сырья применяются конструкционные углеродистые, легированные, нержавеющие стали марок 3, 45, 12Х13 и др. В зависимости от выбранного материала метизы способны выдерживать прочность в пределах — 400-1220 МПа.
Болты ГОСТ 18125-72 можно заказать на сайте «СПбЗКИ» по доступной стоимости. Для клиентов компания предлагает оформить мелкий и крупный опт изделий различного размера. Выяснить особенности элементов, применение, нюансы оформления можно по телефонам.
Болт ГОСТ 18125-72: характеристики
Крепежный элемент представлен уменьшенной шестигранной головкой. Высота колеблется в пределах 28-90 мм, а ширина под ключ — 70-210 мм. На болт добавлена метрическая резьба. В зависимости от типа шаг резьбы выполняется от 3 до 6 мм. Для определения радиуса под головкой учитывают точность и в зависимости от этого он может составлять от 1 до 2,5 мм. Метиз предполагает наличие отверстий в теле, с диаметром 8-16 мм. Все параметры выбирают с учетом номинального диаметра резьбы. Для болта ГОСТ 18125-72 предназначены М52-М160.
В качестве сырья применяются конструкционные углеродистые, легированные, нержавеющие стали марок 3, 45, 12Х13 и др. В зависимости от выбранного материала метизы способны выдерживать прочность в пределах — 400-1220 МПа.
Болты ГОСТ 18125-72 можно заказать на сайте «СПбЗКИ» по доступной стоимости. Для клиентов компания предлагает оформить мелкий и крупный опт изделий различного размера. Выяснить особенности элементов, применение, нюансы оформления можно по телефонам.




